上变频头
2013-02-26 10:21:22 嘉兆科技(深圳)有限公司 发布 
详细信息
|
SPECIFICATIONS for COMMON PARAMETERS
|
||
|
Frequency RFILO
IF In
|
1 C Band, X Band, KU Band
L Band
|
|
|
Bandwidth
|
2 to 8%
|
|
|
Passband Ripple
|
±0.2 dB 1 10 MHz
|
|
|
Gain
|
30 to 35 dB
|
|
|
RF Image Reject
|
60 dBc
|
|
|
LO Leakage
|
60 dBc (© output power +20 dBm)
|
|
|
All Spurious Response
|
<-40 dBm
|
|
|
Output Power Monitor
|
50 to 200 mV (for +12 dBm output power)
|
|
|
LO Power Requirement *
|
+12 to +16 dBrr1
|
|
|
Output P1dB
|
+22 to +27 dBm
|
|
|
1P3
|
+28 to +35 dBm
|
|
|
10 to 14 dB
|
||
|
Noise Figure **
|
||
|
DC Supply
|
0.6 to 1.1A (+12±0.6V or +15±0.7V)
|
|
|
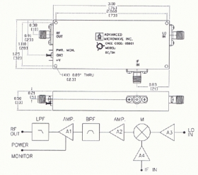
* Option #1. A3 is not Included in the specifications above. Option #1 includes A3 which lowers the LO
Input range down to 0 dBm
"` Option #2: A4 is not included in the specifications above. Option #2 Includes A4 which improves the
Noise Figure down to 4 dB.
|
||
相关阅读
暂无评论
- 网友评论:
- 已有0条评论


搜索




